Follow along with the video below to see how to install our site as a web app on your home screen.
Note: This feature may not be available in some browsers.
Jag har kört på Castrol Power 1racing 10W-50 i tidigare hojar och kommer nog att slänga i samma innan vinterförvaringen på denna också.
Ja då åker original-blinkersen på igen, så får man forska vidare med detta under vintern.
Men jag vill ha rektangulära som inte är så stora som originalen. Kanske är led som gäller om man ska ha synligheten också?
Den hojen såg riktigt välskött ut, några projekt-planer för den?
Det är denna du syftar på? Var ju helt ok pris iaf
http://www.oljefyndet.se/index.php?...aA9tkdABaLKX62dDb43DlXd16W3eWsU28pRoCkM3w_wcB


Bytte oljan i XJR:en idag (första gången så det gick sådär), så jag har lite frågor...
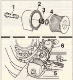
1. Packningen som följde med till oljepluggen såg ut att vara en kopparbricka. Pluggen ska ju dras åt med 43nm, jag gjorde så med momentnyckel. Men den tätade inte riktigt så fick dra extra med spärrskaftet, kan det har varit fel packning med? Ska det vara en aluminium-bricka som packning?
2. Ska det sitta en packning till dränerings-skruven som sitter på filterlocket?
3. När jag kollar sprängskissen i instruktionsboken så ser det ut att sitta en bricka mellan fjädern och filtret, men någon sådan fanns inte där på min?
Jag tror att jag har hällt i för mycket olja så jag ska försöka pumpa ur olja från påfyllningshålet imorgon.



|
|
Custom Motor Show satsar på över 100.000 besökare
Custom Motor Show ställer ä... |
|
|
Custom Motor Show satsar på över 100.000 besökare
Custom Motor Show ställer ä... |
|
|
Gotland Ring Bike Week 2026, förlängt Early Bird erbjudande!
Den 3-5 juli slår vi upp po... |
|
|
Gotland Ring Bike Week 2026, förlängt Early Bird erbjudande!
Boka din plats på Gotland R... |
|
|
Gotland Ring Bike Week 2026, early bird erbjudande!
Boka din plats på Gotland R... |
|
|
Förarkurser på Nürburgring
Nu är datumen för båda föra... |
|
Brembo presenterar TrackTribe
Brembo presenterar TrackTri... |
|
|
|
21/12 är sista dagen beställning av Katalogen 2026
Stora Motorcykelkatalogen 2... |
|
|
Gotland Ring Bike Week 2026, spara pengar med early bird erbjudande!
Packa hojen, damma av hjälm... |
|
|
Gotland Ring Bike Week 2026, spara pengar med early bird erbjudande!
Packa hojen, damma av hjälm... |