Tadao Baba
Gudomlig sporthojare
- Gick med
- 4 Dec 2022
- Hoj
- -16 Aprilia Tuono V4 Factory -92 Honda CBR900RRN -96 Ducati 916 Biposto -97 Honda Castrol Team Supersport, Ducati 996RS -98
Visst har vi alla ett mc projekt vi vill ta tag i över vintern.
För vissa av oss handlar det om 5-6 månader då vi inte ”kan” köra hoj, för mig så är det nästan olidligt att vänta, plus att jag tycker vintern med sitt mörker är jobbigare för varje år som går.
Så för något år sedan så gjorde jag min Fireblade fin över vintern, det var jäkligt skönt att få hålla på med motorcykeln och känna att ”snart så ska man ut och åka igen” det blev helt enkelt mycket lättare att vänta på april, och sen när man slog upp sin port när snön var borta så var alla hojarna servade och klara för säsongen.
Jag tänkte att denna tråden kan få handla om våra vinterprojekt, där vi uppdaterar när vi vill och delar med oss av lite mek tips, eller bara lägger upp en bild på det man gjort en dag.
Det jag ska göra denna vintern är att fila på min senaste hoj som blir perfekt projekt över vintern. Jag har redan fixat en del med den men lägger upp lite här allt eftersom.
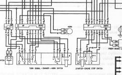
Mitt vinterprojekt är min Honda cbr600 som gick i VM 1998 med Team Castrol Honda. Den har stått i ett skyddsrum i mer än 20 år och ska få komma ut på banorna igen när jag är klar med den.

Så här ser det ut just nu!
Vad håller ni andra på med?
För vissa av oss handlar det om 5-6 månader då vi inte ”kan” köra hoj, för mig så är det nästan olidligt att vänta, plus att jag tycker vintern med sitt mörker är jobbigare för varje år som går.
Så för något år sedan så gjorde jag min Fireblade fin över vintern, det var jäkligt skönt att få hålla på med motorcykeln och känna att ”snart så ska man ut och åka igen” det blev helt enkelt mycket lättare att vänta på april, och sen när man slog upp sin port när snön var borta så var alla hojarna servade och klara för säsongen.
Jag tänkte att denna tråden kan få handla om våra vinterprojekt, där vi uppdaterar när vi vill och delar med oss av lite mek tips, eller bara lägger upp en bild på det man gjort en dag.
Det jag ska göra denna vintern är att fila på min senaste hoj som blir perfekt projekt över vintern. Jag har redan fixat en del med den men lägger upp lite här allt eftersom.
Mitt vinterprojekt är min Honda cbr600 som gick i VM 1998 med Team Castrol Honda. Den har stått i ett skyddsrum i mer än 20 år och ska få komma ut på banorna igen när jag är klar med den.

Så här ser det ut just nu!
Vad håller ni andra på med?









Svartbygge! 






