Koppla ledljus

mángi

Medlem
Gick med
28 Jun 2010
Ort
i ett litet hus
Hoj
2003. Kawasaki ZZR 1200
jenis alla elgurun.
har bytt till ett lastoberoende relä och tryckte dit ledblinkarna bak och så långt blinkas det ok runtom. men när jag byter till led fram så börjar alla blinka runtom ! hmm.. är det månne motstånd till framblinkisarna som måste till iaf ? skulle inte räck byta det där relät
tacksam för lite el hjälp. finns säkert tusen trådar i ämnet men alla hade felet att det började blinka för fort istället beroende på att de inte bytt relät !
 
Lämna tillbaka ditt lastoberoende relä och skaffa ett motstånd till varje blinkers.

Samma problem för mig, och det relät hjälpte inte ett skit.
 
Det är ju inte direkt lastoberoende om det är lastberoende.

Biltemas 42-140 funkade bra för mig. 50 spänn.
 
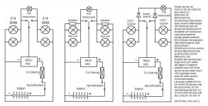
Blinkerskontakten har 2 funktioner:
Starta blinker (höger eller vänster)
Starta blinklampan på instrumenten
En lösning för att starta blinklampan på instrumenten är att ansluta den med en "likriktardiod" till höger resp vänster blink (det går åt 2 dioder, en till höger och en till vänster blink) Jag har det här systemet på min Suzuki. Se högra skissen nedan.
Beskrivningen gäller min Suzuki som har +(plus) till allt via brytare och gemensam -(minus) sladdar från allt till batteriet. När vänster blinker är igång går ström till blinklampan på instrumetet men strömmen kan inte gå vidare till höger blinkerslampor för den andra dioden (högerblinkdioden) spärrar. Och tvärtom När höger blinker är igång går ström till blinklampan på instrumetet men strömmen kan inte gå vidare till vänster blinkerslampor för den andra dioden (vänsterblinkdioden) spärrar.
Gemensamt är att den andra sidan av blinklampan på instrumentet är kopplad till - (minus).

Den andra lösningen är att blinklampan på instrumenten 5W (?) är kopplad mellan höger och vänster blinkerslampor 2 x (2 x 20W). Se vänstra skissen nedan.
Detta innebär att vid vänsterblink så är blinklampan på instrumenten seriekopplad med 2x20W högerblink lampor till - (minus) Detta innebär att eftersom motståndet i de två 20W högerlamporna är lågt lyser blinklampan på instrumenten. Men inte högerlamporna. Det går för lite ström genom 20W lamporna för de ska tända. Blinklampan på instrumenten 5W får inte fulla "12V" lite tappas i höger 20W lampor. Men det märks inte.
Nu byter du till LED-blinkers. Mina LED-blinkers drar 0,3A (2 x 20W drar ca 3A) 5W lampan drar ca 0,4A. Detta betyder att via 5W instrumentlampan får dina högerblinkers ström när du blinkar med vänsterblink och tvärtom.

Lösning som redan skrivits, se mittenskissen nedan: Sätt dit 2 motstånd så du får samma effekt som om du hade vanliga 2x20W. Dvs blinklampan på instrumenten "kortsluts till jord" av motståndet. Det som förut fixades av en 20W lampa.
Då blir spänningen över "andra sidans LED-blinkers" för låg för de ska tända.
T.ex 2 st ELFA 60-245-75 3,3Ohm 50W ca 50kr/st+moms
Ett motstånd kopplas in på varje sida.
https://www.elfa.se/elfa3~se_sv/elfa/init.do?item=60-245-75&toc=20096
Alternativt med 2 st Biltema 42-202
http://www.biltema.se/sv/Bil---MC/Bil-tillbehor/Styling/El-och-Belysning/Motstand-for-diodblinkers/
(det ska enligt Biltema med 4st LED behövas 4st motstånd men det kan räcka med 2st motstånd om det inte blinkar för snabbt med LED)

Alternativtl: Du behöver 2 st dioder för att styra blinklampan på instrumenten. Enligt skissen till höger. (Kopplar du loss blinklampan på instrumenten så blinkar inte alla 4 LED samtidigt)

Anm. 2011-12-28: Är blinkerslamporna på 10W st blir det andra motstånd med LED än ovan
från ELFA
2st 6,8Ohm 25W ELFA 60-245-51 ca 50kr/st inkl moms eller
4st 12Ohm 15W ELFA 60-543-01 ca 20kr/st inkl moms

Ytterligare en metod istället för motstånd (satt på Sukkan när jag köpte den) är Biltemas små 10W 12V halogenlampor. Man krymper fast sladd med hylsor på stiften. Och får raskt och billigt "nödvändiga motstånd". Sedan för att hålla ihop paket "lampa med två sladdar" så är det bara sätta krympslang utanpå. Och placera paketet, tex på min Sucka framför styrhuvudet.
Men blinka inte för länge. Det gjorde jag (blinkade för länge) och stående vid ett rödljus ser jag rök börja välla upp från under instrumenten. Krympslangen höll på att lämna in. :död Efter det skaffade jag ett lastoberoende relä Biltema 42-140 som klarar LED utan motstånd eller upp till 100W blinklampor.
http://www.biltema.se/sv/Bil---MC/Bilreservdelar/Elsystem/Rela/Blinkrela-12-V-42140/

VARNING NEDAN BLEV MYCKET VARMA PÅ MIN SUCKA
4 st 10W http://www.biltema.se/sv/Bygg/Belysning-och-lampor/Halogen/G4-2-st-350191/
ÄNNU VARMARE
2st 20W en på varje sida. http://www.biltema.se/sv/Bygg/Belysning-och-lampor/Halogen/Gy635-2-st-44306/
 

Bifogat

  • Blinkerskoppling-Rev2.jpg
    Blinkerskoppling-Rev2.jpg
    106.2 KB · Visningar: 1,184
Last edited:
Menar du att alla 5 lamporna ligger i samma slutna krets?

Rita ett schema, vill gärna se hur Suzuki har tänkt ut det hela.
 
oki tack för förklaringar..
tror jag kör på denna lösningen:
"Eller som redan skrivits: Sätt dit 2 motstånd så du får samma effekt som om du hade vanliga 2x20W. Dvs blinklampan på instrumenten "kortsluts till jord" av motståndet. Det som förut fixades av en 20W lampa."

vad gäller relät, så Jo det är det bt´s 40-140 jag kopplat. och det är korretk kopplat. trippelkollat det.
letar 2 st motstånd att koppla på framblinkerserna dårå

edit: är det så att det relät helt enkelt inte fixar 4 led i mitt fall ? för lite motstånd, men kan funka på andra hojar av olika elektroniska komponenters... #%¤#%¤ skäl.. ?
 
Last edited:
fasen vilken otur, jag slängde en massa motstånd som jag fick med mina Rizomas för bara ett par dagar sedan :crash
 
edit: är det så att det relät helt enkelt inte fixar 4 led i mitt fall
Nej problemet är att du har kopplingen utan dioder. Se skissen ovan. Med instrumentlampan inkopplad mellan blinkerslamporna.

Reläet ska vara Biltema 42-140 (det är i varje fall det blinkreläet jag har)
http://www.sporthoj.com/forum/showthread.php?p=5025523#post5025523
Men har du "fel" blinkrelä blir det bara att blinket blir snabbare med LED. Den automatiska varningen från blinkreläet för trasig lampa.

Sedan vad gäller motstånd hade han som hade Suzukin för mig använt två små ca 20W 12V kvartslampor.
Som han stoppat in i krympslang. Framme under instrumenten. Resultat: Jag står och blinkar höger vid rödljus. Då börjar det stiga upp rök under instrumenten. Krympslangen "överhettad".
Vilket gjorde jag blev så förbannad så bort med kvartslamporna och in med Biltema 42-140.
Har senare här på SH (tack!) fått tips om till Suzuki.
http://cgi.ebay.co.uk/LED-flasher-r...82?pt=UK_Motorcycle_Parts&hash=item53e2a58ffa
 
Last edited:
slänger in hur det fixat sig i fall någon annan får samma fenomen trots reläbyte.
motstånd inkopplat parallellt på vardera framblinkersen och voila skiten funkar.
ha en skön kväll
 
Nyheter
Anpassad service för Ducati Desmo 450 MX

Ducati lanserar serviceinte...

Oro för batteriet

Batteriet oroar mest – men ...

Video: Ducati Hypermotard

Bikes Rikard Ploj åker ner ...

Video: Ducati Hypermotard

Bikes Rikard Ploj åker ner ...

Bike-Dagarna har öppnat!

Vinn en airbagväst från Dai...

H-D Pan America 1250 Limited provkörd

I nummer 5 av Allt om MC ko...

Custom Bike Show den 6e juni.

När Twin Club MC i Norrtälj...

Tidigare SMC-profil tar över som ordförande i Svemo

Mötets ordförande Anna Iwar...

The Distinguished Gentlemans’s Ride 

Den 17 maj är det åter dags...

Stor invigning på Sulas MC

Efter att Sulas MC bestämde...

Back
Top